LVRCTL8SC

Wall Mount Vandal Resistant Bi-level ADA Cooler Filtered Refrigerated Stainless

$3,840.00 (USD)

Actual selling price may vary
Constructed for use in high-traffic and boisterous environments, Elkay® vandal-resistant filtered bottle filling stations are durable and built to last. Units are made of stainless steel, with brass vandal-resistant bubblers and push buttons, which activate the bottle filler.
Read More
  • Classic-design, stainless steel cooler provides an attractive and durable product
  • Hermetically sealed refrigeration system provides chilled water to satisfy thirst
  • Mechanical push-button bubbler activation continues to provide water when electrical service is interrupted
  • Stainless steel construction withstands abusive environments and resists stains
  • Tamper-resistant fasteners and vent screens help protect against vandalism
  • Vandal-resistant bubblers feature chrome plated integral hood guard to prevent contamination from other users, airborne deposits and tampering
  • Filter systems certified to NSF 42 and 53 for lead, Class 1 particulate, chlorine, taste and odor reduction
  • Rated for indoor or outdoor use

Specifications

Material Stainless Steel
Number of Stations 2
Features Filtered
Vandal Resistant
Power 115V/60Hz
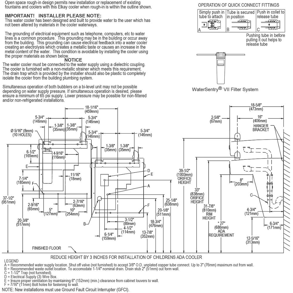
Dimensions L: 36-5/16IN
W: 18-5/8IN
H: 27-1/8IN
Bubbler Style Vandal Resistant
Mounting Type Wall Mount (On Wall)
Chilling Capacity 8.0 GPH
Installation Location Indoor + Outdoor
Shipping Dimensions L: 20-1/2IN
W: 19-11/16IN
H: 35-5/8IN
Shipping Weight 97LB
Included With Product Water Cooler
Filter
ADA Yes
Filtered Yes
Code Compliance ASME A112.19.3/CSA B45.4
CSA B45.4
CSA C22.2 No. 120
NSF 42
NSF 53
NSF 401
UL 399
NSF 61
NSF 372
Note When used in non-temperature-controlled environments, unit(s) must be adequately winterized and/or protected from extreme heat to prevent damage where climates dictate. The filters are certified for water temperatures up to 100°F.

Resources

How-To Videos

Specifications

Material Stainless Steel
Number of Stations 2
Features Filtered
Vandal Resistant
Power 115V/60Hz
Dimensions L: 36-5/16IN
W: 18-5/8IN
H: 27-1/8IN
Bubbler Style Vandal Resistant
Mounting Type Wall Mount (On Wall)
Chilling Capacity 8.0 GPH
Installation Location Indoor + Outdoor
Shipping Dimensions L: 20-1/2IN
W: 19-11/16IN
H: 35-5/8IN
Shipping Weight 97LB
Included With Product Water Cooler
Filter
ADA Yes
Filtered Yes
Code Compliance ASME A112.19.3/CSA B45.4
CSA B45.4
CSA C22.2 No. 120
NSF 42
NSF 53
NSF 401
UL 399
NSF 61
NSF 372
Note When used in non-temperature-controlled environments, unit(s) must be adequately winterized and/or protected from extreme heat to prevent damage where climates dictate. The filters are certified for water temperatures up to 100°F.

Resources