About Elkay
News
Careers
Literature
Investors
Where to Buy
International
Asia Pacific
Europe
Latin America
Middle East
Sign In
Dashboard
Sign Out
Shop
Cart
Search
Close
Products
Content
Drinking Water
Bottle Filling Stations
Pro Filtration
Floor Standing
Hands-free
In Wall
On Wall
Outdoor
Retrofit
View All Categories
Learn More
Water Coolers & Fountains
Floor Standing
Hands-free
In Wall
On Wall
Outdoor
View All Categories
Learn More
Water Dispensers
Liv Water Dispensers
Built-in
Countertop
Hands-free
Under Counter
View All Categories
Learn More
Outdoor
Free Standing
On Wall
View All Categories
Learn More
Accessories
Bubbler Kits
Cabinets
Cane Aprons
Chillers
Filtration
Glass Fillers
Mounting Options
Outdoor
Retrofit Kits
Tools and Electrical
Wall Panels and Plates
View All Categories
Learn More
Filtration
Shop Filters
Bottle Filling Stations
Coolers & Fountains
Water Dispensers & Liv
Faucets & Accessories
Retrofit Solutions
View All Categories
Learn More
About Filtration
Need Filter Help?
Residential Filtration
Learn More
Sinks
Installation Type
ADA-compliant
Corner
Drop-in
Dual Mount
Farmhouse
Floor
Undermount
Scullery
Sink Top
Wall
View All Categories
Learn More
Materials
Fireclay
Quartz
Stainless Steel
View All Categories
Learn More
Room Type
Bar/Prep
Bathroom
Kitchen
Laundry/Utility
View All Categories
Learn More
Application Type
ADA-Compliant
Classroom
Foodservice
General Use
Health Care
Lavatory
Multifamily
Scrub and Handwash
Service/Utility
View All Categories
Learn More
Collections
Circuit Chef
Crosstown
Custom
Dart Canyon
Dayton
Fireclay
Sink Kits
Lustertone Classic
Lustertone Iconix
Luxe
Classic
Workstations
Sink Collections
Accessories
Bottom Grids & Baskets
Cutting Boards & Colanders
Drains & Waste Fittings
Glass Fillers
Installation Hardware and Other
View All Categories
Learn More
Faucets
Commercial Use Faucets
ADA-compliant
Classroom
Foodservice
General Use
Lavatory
Scrub & Handwash
Service & Utility
View All Categories
Learn More
Residential Use
ADA-compliant
Bar/Prep
Kitchen
Laundry/Utility
Filtered
View All Categories
Learn More
Residential Type Spouts
Flexible Spout
Pot Filler
Pull-down Spray
Pull-out Spray
Semiprofessional
Standard Spout
View All Categories
Learn More
Commercial Type Spouts
Arc Tube
Bucket Hook
Double Swing
Fixed Spout
Gooseneck
High Arc
Tube Spout
Vented Spout
View All Categories
Learn More
Accessories
Escutcheons
Soap Dispensers
Filtration
View All Categories
Learn More
Markets
Education
K-12
Higher Education
Products for the Professional
Safe Water Everywhere
California Resources for Facilities Managers
California Resources for School Boards
Massachusetts SWIG Grant
Michigan Filter First Program
New Jersey DOE Grant
level-2-group
Health Care
Multifamily
Hospitality
Municipality
Office and Retail
Foodservice
Laundry
ADA-compliant Products
Learn More
Customer Stories
Milwaukee Public Schools
Equitas No. 3
Saint Charles Parish School
Holton High School
All Customer Stories
Support
Help Center
Product Registration
Archived Documents
Care and Cleaning
Filter Services
How-to Articles
Installation Help
Supplier Guidelines
Warranty
Visit the Help Center
Online Orders
Track My Order
Online Order Returns
Resources
Specification Library
BIM Innovation
Buying Guides
Continuing Education
Distribution Centers
Order Chip Samples
Product Literature
Product Sustainability
Sales Rep Resources
Trade Resources
Visit the Learning Center
More
About Elkay
News
Careers
Literature
Investors
Where to Buy
International
Asia Pacific
Europe
Latin America
Middle East
Shop
Home
Products
Drinking Water
Water Coolers & Fountains
Floor Standing
LK4420EVG
Previous
Next
Finish
Black
Blue
Evergreen
Gray
LK4420EVG
Outdoor Bi-Level Pedestal Fountain Non-Filtered Non-Refrigerated Evergreen
$6,414.00 (USD)
Actual selling price may vary
Outdoor tubular wall-mount fountain ideal for parks and recreational areas. Powder-coated exterior over a corrosion-resistant, 300 Series stainless steel base material to provide protection from the elements.
Read More
Spec + Install + BIM
Where to Buy
Spec + Install + BIM Files
BIM Files (rfa) – LK4420
Specification Sheet (pdf) - LK4420
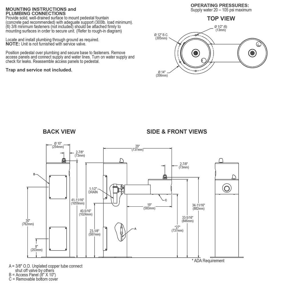
Installation Instruction (pdf) - 1000003683
Warranty (pdf) - 96993c.pdf
Corrosion-resistant base material provides the ultimate protection from the elements
Heavy-gauge construction with tamper-resistant screws that resist stains and corrosion
Vandal-resistant bubblers feature chrome-plated integral hood guard to prevent contamination from other users, airborne deposits and tampering
Laminar flow provides clean fill with minimal splash
Freeze-resistant options available
Available in 4 stunning finishes
Ideal for outdoor use
...more
SPECIFICATIONS
RESOURCES
ACCESSORIES
Specifications
Features
300 Series Stainless
Heavy Duty Vandal Resistant
Laminar Flow
Power
No Electrical Required
Dimensions
L: 14IN
W: 31IN
H: 40-5/16IN
Mounting Type
Floor Mount/Freestanding
Installation Location
Outdoor
Shipping Dimensions
L: 46-3/4IN
W: 16-3/4IN
H: 33-1/4IN
Shipping Weight
107LB
ADA
Yes
Filtered
No
Resources
Spec Sheets (1)
Specification Sheets
BIM/Revit (1)
BIM Files
Installation & Warranty (2)
Installation Guides & Warranty
CAD (4)
CAD Models
PROP 65 WARNING
Accessories
LK4471LHB
Locking Hose Bib
Where to Buy
97890C
Accessory - Direct Bury Adaptor
Where to Buy
How-To Videos
SPECIFICATIONS
Specifications
Features
300 Series Stainless
Heavy Duty Vandal Resistant
Laminar Flow
Power
No Electrical Required
Dimensions
L: 14IN
W: 31IN
H: 40-5/16IN
Mounting Type
Floor Mount/Freestanding
Installation Location
Outdoor
Shipping Dimensions
L: 46-3/4IN
W: 16-3/4IN
H: 33-1/4IN
Shipping Weight
107LB
ADA
Yes
Filtered
No
RESOURCES
Resources
Spec Sheets (1)
Specification Sheets
BIM/Revit (1)
BIM Files
Installation & Warranty (2)
Installation Guides & Warranty
CAD (4)
CAD Models
PROP 65 WARNING
ACCESSORIES
Accessories
LK4471LHB
Locking Hose Bib
Where to Buy
97890C
Accessory - Direct Bury Adaptor
Where to Buy
×