WNSF8230R2

Weldbilt® Stainless Steel 55-1/2" x 27-1/2" x 14" Floor Mount Double Compartment Scullery 2-Hole Sink w/Right Drainboard

$8,371.00 (USD)

Actual selling price may vary
Material Stainless Steel
Installation Type Scullery
Features Drainboard
Gauge 14
Number of Bowls 2
Minimum Cabinet Size 0"
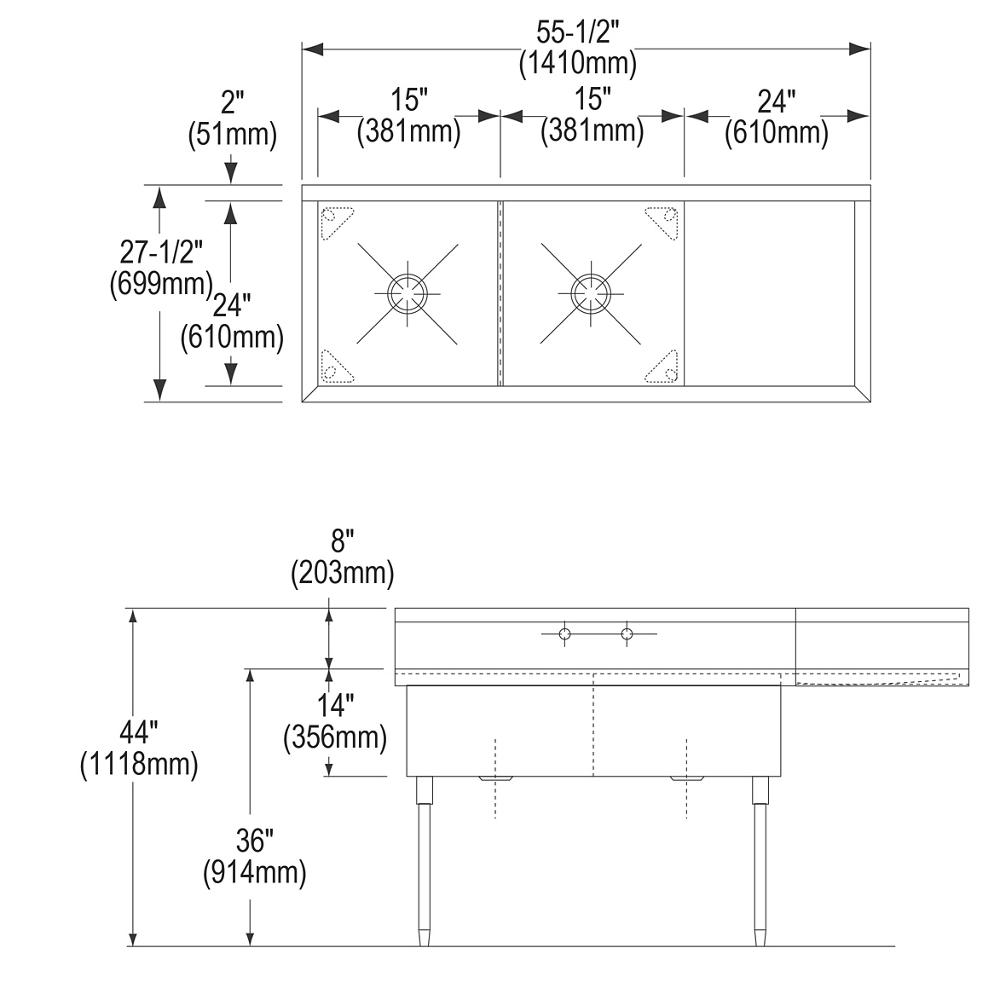
Dimensions L: 55-1/2"
W: 27-1/2"
H: 44"
Bowl 1 Dimensions L: 15"
W: 24"
H: 14"
Bowl 2 Dimensions L: 15"
W: 24"
H: 14"
Hole Drillings 2
Drain Size Bowl 1 3-1/2"
Drain Size Bowl 2 3-1/2"
Shipping Dimensions L: 57"
W: 29"
H: 17-1/4"
Shipping Weight 120 LBS
ADA No
Code Compliance ASME A112.19.3
CSA B45.4
NSF 2
cUPC
IPC

Elkay® has been a trusted name in stainless steel since 1920. We are proud to be America's No. 1 selling kitchen sink company. In addition, we offer prep, bar, bath and laundry sinks. Elkay commercial sinks can be found in public spaces such as classrooms, office buildings, health care facilities, parks and recreation areas and more. Available in ADA depths.

  • Superior quality 14-gauge, Type 304 stainless steel
  • Designed to withstand the heavy-duty requirements of hotel, restaurant, cafeteria and other commercial kitchens
  • Sink compartments have welded 1/4" radius coved corner construction; ground smooth for easy cleaning
  • Channel rim design with 2" apron, slanting sanitary turn under and inward sloping rim to minimize spillage
  • 8" high, full-length, sloped backsplash resists grime and is 2" thick to allow for plumbing
  • Sink polished to a uniform lustrous satin finish
  • Drainboard and sink compartments pitched to drain
  • 3-1/2" drain opening centered in each compartment
  • Stainless steel tubular legs, 1-5/8" OD with up to 1" adjustable, bullet-shaped stainless steel feet